|
№ |
Наименование оборудования |
Модель |
Кол. |
Габарит-ные размеры, мм |
Площадь |
Стоимость |
||
|
ед. |
Общ. |
ед. |
Общ. |
|||||
|
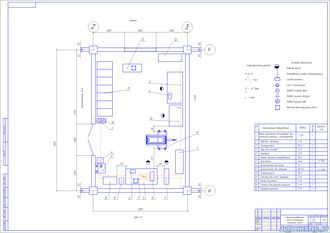
1 |
Шкаф секционный для приборов, тех нической оснастки и инструментов |
С/И |
1 |
1500*500 |
0,75 |
0,75 |
4350 |
4350 |
|
2 |
Верстак слесарный |
ВС-И |
1 |
1800*800 |
1,44 |
1,44 |
19500 |
19500 |
|
3 |
Огнетушитель |
ОУ-5 |
1 |
350*350 |
1,3 |
1,3 |
1200 |
1200 |
|
4 |
Ларь для отходов |
С/И |
1 |
500*500 |
0,25 |
0,25 |
550 |
550 |
|
5 |
Раковина |
С/И |
1 |
400*350 |
0,14 |
0,14 |
890 |
890 |
|
6 |
Станок точильно шлифовальный |
ТШ-2 |
1 |
---- |
---- |
---- |
6850 |
6850 |
|
7 |
Кран балка |
Valex |
1 |
---- |
---- |
---- |
13450 |
13450 |
|
8 |
Вулканизатор для камер |
V2 |
1 |
---- |
---- |
---- |
25540 |
25540 |
|
9 |
Вулканизатор для покрышек |
DB-98 |
1 |
500*1200 |
0,6 |
0,6 |
35600 |
35600 |
|
10 |
Огнетушитель |
ОП-5 |
1 |
350*350 |
0,13 |
0,13 |
1200 |
1200 |
|
11 |
Стеллаж для колес/покрышек |
С/И |
1 |
4200*800 |
3,36 |
3,36 |
8700 |
8700 |
|
12 |
Шкаф секционный |
С/И |
1 |
1200*600 |
0,72 |
0,72 |
12350 |
12350 |
|
13 |
Стапель для ремонта покрышки |
С/И |
1 |
1200*550 |
0,66 |
0,66 |
15450 |
15450 |
|
14 |
Спредер |
С/И |
1 |
1000*650 |
0,65 |
0,65 |
11160 |
11160 |
|
|
|
|
|
|
∑=10 |
∑=156790 |
||
|
Экспликация оборудования
|
есть |
|
Площадь производственного участка
|
54 кв.м. |
|
Формат основного чертежа
|
А1 |