Артикул: 34
1080 руб.
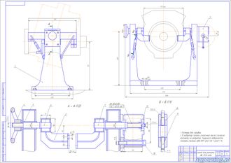
Разработанная конструкция стенда предназначена для ремонта двигателей. Конструкция имеет поворотный механизм, благодаря которому двигатель во время разборки возможно повернуть на любой угол.
:format(png):watermark(s.siteapi.org/9d915ebbe9095fd.ru/watermark/kvto4l2s9ao84wsksw8cskwssw44s4,-1,-1,0,15,none)/9d915ebbe9095fd.ru.s.siteapi.org/img/65d4de472f57a63fb2f575d5d63a52555f63b315.jpg)