Приспособление для опрессовки (проверки герметичности) топливных баков

Артикул: 426
Приспособление для опрессовки (проверки герметичности) топливных баков
1170 руб.
Артикул: 426

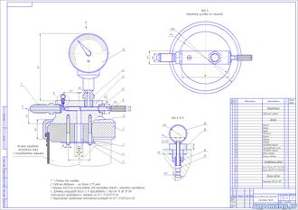
Приспособление предназначено для опрессовки (проверки герметичности) топливного бака МАЗ со снятием и без (на автомобиле). Область применения – топливные баки с полной или низкой горловиной, с полуоборотной крышкой. Для топливных баков, горловина которых, имеет откидную крышку приспособление имеет аналогичную конструкцию за исключением измененной крышкой поз.1.

Приспособление предназначено для опрессовки (проверки герметичности) топливного бака МАЗ со снятием и без (на автомобиле). Область применения – топливные баки с полной или низкой горловиной, с полуоборотной крышкой. Для топливных баков, горловина которых, имеет откидную крышку приспособление имеет аналогичную конструкцию за исключением измененной крышкой поз.1.

Тематические чертежи