|
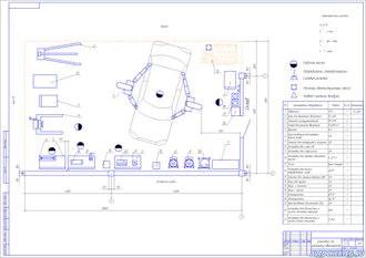
№ |
Наименование оборудования |
Модель |
Кол. |
Габарит-ные размеры, мм |
Площадь |
Стоимость |
||
|
ед. |
Общ. |
ед. |
Общ. |
|||||
|
1 |
Подъемник |
1131 |
1 |
2600*800 |
2,08 |
2,08 |
267400 |
267400 |
|
2 |
Кран для демонтажа двигателя |
FC-20A |
1 |
1000*760 |
0,76 |
0,76 |
50800 |
50800 |
|
3 |
Тележка инструментальная
|
EP-495 |
2 |
1000*700 |
0,7 |
1,4 |
44200 |
88400 |
|
4 |
Стенд для ремонта двигателя |
Р-600-01 |
1 |
1600*1100 |
1,76 |
1,76 |
31100 |
31100 |
|
5 |
Верстак |
В-2 |
3 |
1600*700 |
1,12 |
3,36 |
17900 |
53700 |
|
6 |
Приспособление для проверки биения валов |
ПпБВ-13 |
1 |
----- |
--- |
--- |
5340 |
5340 |
|
7 |
Стеллаж для материалов и оснастки |
С.И. |
1 |
500*1200 |
0,6 |
0,6 |
3660 |
3660 |
|
8 |
Установка для слива О.Ж. |
С-509 |
1 |
730*550 |
0,41 |
0,41 |
19400 |
19400 |
|
9 |
Установка для слива масла |
C.И. |
1 |
600*1000 |
0,6 |
0,6 |
15300 |
15300 |
|
10 |
Установка для заправки двигателя маслом |
С-227-1 |
1 |
400*450 |
0,18 |
0,18 |
28540 |
28540 |
|
11 |
Тиски |
Сорокин Инструмент |
1 |
--- |
--- |
--- |
8560 |
8560 |
|
12 |
Установка для отсоса отработавших газов |
HR70
|
1 |
--- |
--- |
--- |
135700 |
135700 |
|
13 |
Стеллаж для хранения деталей ДВС |
С.И. |
1 |
600*1000 |
0,6 |
0,6 |
8450 |
8450 |
|
14 |
Ящик для мусора |
С.И. |
1 |
500*500 |
0,25 |
0,25 |
400 |
400 |
|
15 |
Ящик с опилками |
С.И. |
1 |
500*500 |
0,25 |
0,25 |
550 |
550 |
|
16 |
Ящик с песком |
С.И. |
1 |
500*500 |
0,25 |
0,25 |
550 |
550 |
|
17 |
Огнетушитель |
ОП-10 |
1 |
300*300 |
0,09 |
0,09 |
1200 |
1200 |
|
18 |
Огнетушитель |
ОУ-10 |
1 |
300*300 |
0,09 |
0,09 |
1200 |
1200 |
|
19 |
Приспособление для ремонта ГБЦ |
С.И. |
1 |
-- |
-- |
-- |
15600 |
15600 |
|
20 |
Установка для диагностики и чистки топливных форсунок |
500 |
1 |
-- |
-- |
-- |
44000 |
44000 |
|
21 |
Установка для диагностики и чистки свечей зажигания |
Э-103 |
1 |
-- |
-- |
-- |
12350 |
12350 |
|
|
|
|
|
|
∑=11,98 |
∑=792200 |
||
|
Описание к чертежу
|
Описание отсутствует |
|
Экспликация оборудования
|
есть |
|
Площадь производственного участка
|
61 кв.м. |
|
Формат основного чертежа
|
А1 |