Приспособление для проверки свечей зажигания

Артикул: 1518
Приспособление для проверки свечей зажигания
1260 руб.
Артикул: 1518

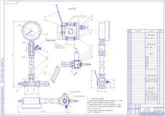
Назначение приспособления

Приспособление предназначено для проверки свечей зажигания непосредственно на автомобиле. Принцип действия приспособления основан на иммитации камеры сгорания двигателя при проверки свечи зажигания .

Обзор конструкций подобных приспособлений

В настоящее время нет подобных приспособлений. Имеются заводские приборы для проверки свечей зажигания, но они занимают много пространства на рабочем месте, используют электроэнергию предприятия и громоздки по сравнению с проектируемым приспособлением.

Разработанная конструкция позволяет проводить диагностику свечей зажигания в любом месте, оно не требует специальных знаний и умений от автомастера и является универсальным для всех типов свечей.

Назначение приспособления

Приспособление предназначено для проверки свечей зажигания непосредственно на автомобиле. Принцип действия приспособления основан на иммитации камеры сгорания двигателя при проверки свечи зажигания .

Обзор конструкций подобных приспособлений

В настоящее время нет подобных приспособлений. Имеются заводские приборы для проверки свечей зажигания, но они занимают много пространства на рабочем месте, используют электроэнергию предприятия и громоздки по сравнению с проектируемым приспособлением.

Разработанная конструкция позволяет проводить диагностику свечей зажигания в любом месте, оно не требует специальных знаний и умений от автомастера и является универсальным для всех типов свечей.

Тематические чертежи